BMT Series End Face Sired Tool Road

الاستقرار الحراري: طبقة عزل ألياف الكربون تقلل من التشوه الحراري

النظام المعياري: تغيير سريع بين حاملي مختلفين في أقل من 15 ثانية

المراقبة الذكية: منافذ المستشعرات المثبتة مسبقًا لمراقبة العملية في الوقت الفعلي



تفاصيل المنتج

وصف المنتج

حامل الأدوات عبارة عن نظام قابض للأداة الصلبة تم تطويره للآلات الدقيقة عالية الكفاءة ، ويتميز بتكنولوجيا قفل ثورية (BMT-نظام أدوات الممل والطحن). تم تصميمه خصيصًا للمعدات المتطورة مثل مراكز الآلات ذات 5 محاور وآلات الممل/الطحن الأفقية ، ويوفر صلابة لا مثيل لها وتكرارها لتلبية متطلبات التصنيع الصارمة في صناعات التصنيع الفضاء والقالب.


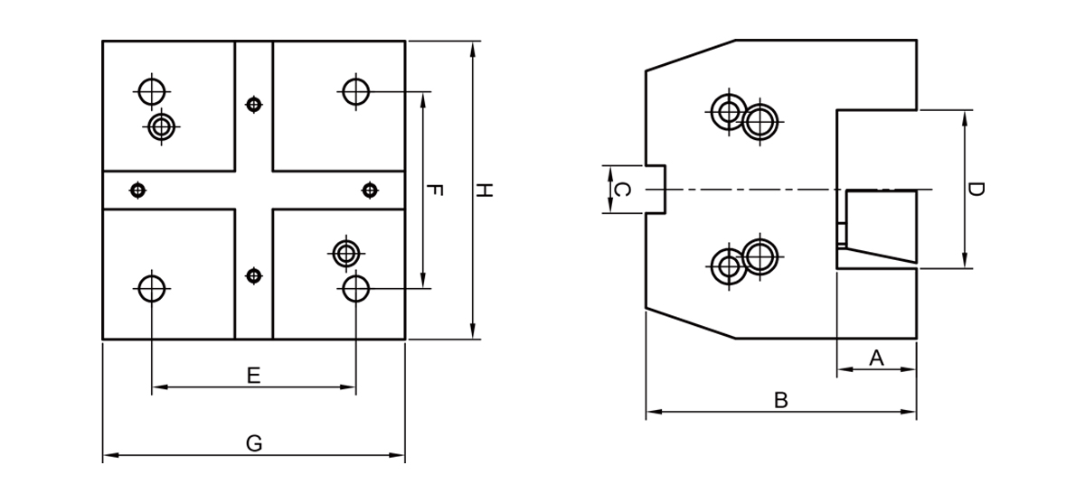
همزUCT التخطيطي

BMT Series End Face Sired Tool Road

معلمة المنتج

BMT Series End Face Sired Tool Road


مزايا المنتج

الانتهاء من السطح المتفوق: تقنية تخميد الاهتزاز تحقق RA0.2 خشونة السطح

50 ٪ حياة الأداة الأطول: حتى تصميم توزيع الإجهاد يمتد عمر الأداة


BMT Series End Face Sired Tool Road


فحص الجودة

تمتلك Jiehe Machinery مصنعًا رائدًا في إنتاج حاملات الأدوات ومركز التفتيش والاختبار في الصين ، مع ترتيب قدرات التصنيع بين الأعلى. تشمل معدات الإنتاج والاختبار الأساسية لدينا Grob و Takisawa و Doosan و Haimer و Kelch و Zoller و Mitutoyo ، وما إلى ذلك ، ونمتلك أيضًا مجموعة كاملة من حاملي الأدوات القياسية ومقاييس حامل الأدوات من Diebold الألمانية. يضمن استخدام هذه المعدات أيضًا تفوق كفاءة الإنتاج وجودة المنتج.

لدينا خط إنتاج ذكي ، والذي يضمن استقرار جودة المنتج ويحسن كفاءة الإنتاج بشكل كبير.


BMT Series End Face Sired Tool Road

BMT Series End Face Sired Tool Road


عرض المصنع

Jining Jiehe Machinery Co. ، Ltd. ، التي أنشئت في عام 2000 ، هي مؤسسة وطنية عالية التقنية وشركة مبتكرة ومبتكرة على مستوى المقاطعات. متخصصة في ملحقات أدوات الآلات CNC ، تقدم الشركة أكثر من 1000 نوع منتج ، مع تصدير 60 ٪ من المنتجات. مع أكثر من 200 آلة من CNC وفريق من أكثر من 100 موظف ، حصل Jiehe على أكثر من 30 براءة اختراع وطنية وتم الاعتراف بها لعلاماتها التجارية المعروفة مثل CNCJiehe و Sun Moon Lake و Goose. تشارك الشركة بانتظام في المعارض الدولية في جميع أنحاء بكين وشنغهاي والولايات المتحدة وألمانيا وإيطاليا وطوكيو ، وهي تبني وجودًا عالميًا قويًا في السوق. من خلال تقييم أفضل الشركات في ألمانيا واليابان ، حقق Jiehe تطويرًا سريعًا وأنشأ قاعدة شاملة للبحث والتطوير مع الشركات التابعة في Jining و Shandong و Suzhou وما بعدها.


BMT Series End Face Sired Tool Road

BMT Series End Face Sired Tool Road

BMT Series End Face Sired Tool Road

BMT Series End Face Sired Tool Road

BMT Series End Face Sired Tool Road


اترك رسائلك

المنتجات ذات الصلة

x

المنتجات الشعبية

x